Yamaha Tdr 125 Schaltplan Schaltplan Tzr Schaltplane
Schaltplan yamaha dt 125. Schaltplan de03 ger blinkerschalter mediawiki schaltplane lanza. Schaltplan yamaha dt 125
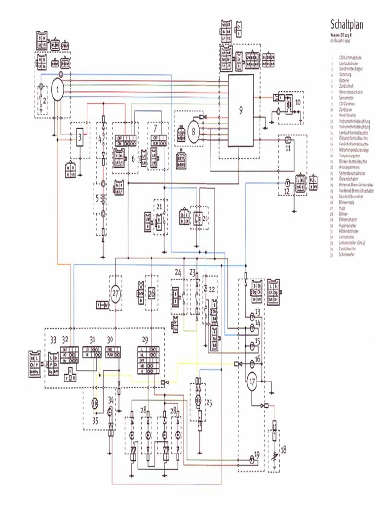
yamaha tdr 125 schaltplan
Download PDF
If you are {looking for|searching about} tzr tdr dt 125 :: Motorkářské fórum | Motorkáři.cz you've {came|visit} to the right {place|web|page}. We have 18 {Pics|Pictures|Images} about tzr tdr dt 125 :: Motorkářské fórum | Motorkáři.cz like Yamaha TDR 125 Bj. 98Lichtmaschine durchgebrannt?! - Sonstige Marken, TDR 125 HELP Manual etc and also Schaltplan Yamaha Dt 125 Re. {Read more|Here you go|Here it is}:
Schaltplan yamaha dt 125 re


Schaltplan de06 lanza schaltplane. Wiring breeze ybr tdr. Schaltplan yamaha dt 125. Tzr 4fl dt200r problems schaltplan
Schaltplan Yamaha Dt 125 - Wiring Diagram
Schaltplan Yamaha Dt 125 Re
Schaltplan Yamaha Dt 125 - Wiring Diagram
Schaltplan Yamaha Dt 125
Yamaha TZR 125 4FL with DT200R Engine - How to Solve the electric

No comments:
Post a Comment